Контакторы КВТ-10-4/400
Большинство исполнений в НАЛИЧИИ! Отправим ТК в любой регион РФ и СНГ.
Контакторы КВТ-10-4/400 — это трёхполюсные открытые вакуумные контакторы с воздушным охлаждением, оснащенные электромагнитным приводом, производства ОАО «НПП Контакт» (г. Сратов). Разработаны для выполнения операций коммутирования в трехфазных цепях и промышленных электрических установках с напряжением 10 кВ переменного тока частотой 50 Гц. Рекомендованы к использованию в электрооборудовании, защищенном навесом и в зданиях с высокой влажностью. При этом характеристики окружающей среды не должны достигать взрывоопасной отметки. Могут использоваться на высоте до 1000 м. Устройства способны нормально работать, когда температура среды не выше +40℃ и не ниже -50℃.
Условные обозначения
Вид обозначения КВТ[X1]-10-4/[X2][X3][X4]
- КВТ - контактор вакуумный трёхполюсный;
- [X1] - если Р, то реверсивный;
- 10 - номинальное напряжение, кВ;
- 4 - номинальный ток отключения, кА;
- [X2] - номинальный ток, А (400; 630; 800);
- [X3] - комбинированное обозначение вида климатического исполнения и категории размещения по ГОСТ 15150-69;
- [X4] - номинальное напряжение цепей питания привода, В
Технические характеристики
| Наименование параметров | КВТ-10-4/400 | |||
| Номинальное напряжение, кВ | 10 | |||
| Наибольшее рабочее напряжение, кВ | 12 | |||
| Номинальный ток отключения, кА | 4 | |||
| Номинальный ток, А | 400; 630 | |||
| Номинальное напряжение цепей питания привода: | переменного, В | 220 | ||
| постоянного, В | 110, 220 | |||
| Ток в цепях питания привода при постоянном или переменном напряжении питания 220 В: | при срабатывании, А, не более | 5 | ||
| при удерживании во включенном положении, А, не более | 1 | |||
| Ток в цепях питания привода при постоянном напряжении питания 110 В: | при срабатывании, А, не более | 10 | ||
| при удерживании во включенном положении, А, не более | 2,2 | |||
| Собственное время отключения, мс, не более | 150 | |||
| Собственное время отключения, мс, не более | 60 | |||
| в режиме АС-4 | 500000 | |||
| Гарантийный срок экcплуатации, лет | 2 | |||
| Масса, кг | 40 | |||
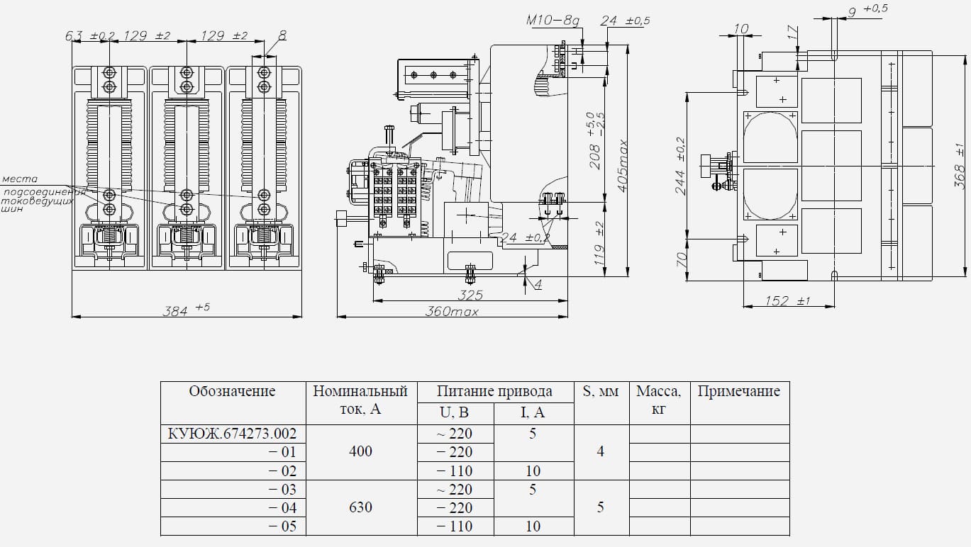
Габаритный чертёж контактора КВТ-10-4/400

Преимущества и особенности вакуумных контакторов КВТ-10-4/400
- Запас механической стойкости не меньше 750 тыс. циклов ВО.
- Ресурс коммутационной стойкости при токе коммутирования 400А от 750 тыс. циклов ВО, а при токе 4 кА – от 100 циклов ВО в краткосрочном режиме.
- Период использования устройства до ремонта средней сложности – 12 лет, но с условием, что в течение указанного времени не израсходован запас коммутационной стойкости.
- Заявленный период эксплуатации – 25 лет и более.
Для запуска оборудования в работу предусмотрен электромагнит включения, к обмоткам которого подается напряжение 110 либо 220В. Режим включения поддерживается питанием сниженным напряжением включающего электромагнита, для чего используются балластные резисторы, задействуемые последовательно с электромагнитными обмотками. Когда питающее контактор напряжение падает на 10% от уровня номинального, устройство гарантировано отключается. Подобный итог наблюдается в случае снятии в полном объеме напряжения с включающего электромагнита.
Полюса контактора оборудованы вакуумными камерами дугогашения и привод вспомогательной активации контактов путем нажатия. Работа устройства построена на погашении электродуги, образующейся в момент размыкания контактов в условиях вакуума. Электродуга благодаря подобранной конфигурации дугогасительных контактов направлена от центра в сторону.
Специалисты нашей компании расскажут о явных и неявных преимуществах интересующих вас моделей. Звоните и заказывайте вакуумные контакторы КВТ 10 4 400 по выгодной цене!
Товары в категории
-
ФотоНаименование товараДополнительная информацияЦена
-
КВТ-10-4/400-У2, УХЛ5
Контактор вакуумный трёхполюсный на номинальный ток 400А, номинальный ток отключения 4кА, номинальное напряжение 10кВ с электромагнитным приводом. -
КВТ-10-4/630-У2, УХЛ5
Контактор вакуумный трёхполюсный на номинальный ток 630А, номинальный ток отключения 4кА, номинальное напряжение 10кВ с электромагнитным приводом.
Контакторы КВТ-10-4/400 - как правильно выбрать и купить по нужной Вам цене ▾
В рабочее время наши специалисты готовы оказать компетентную помощь в подборе интересующей вас продукции. Для этого вы можете позвонить по любому из указанных телефонов. Также вы можете написать на нашу электронную почту или воспользоваться формой обратной связи ниже по ссылке.