8 (800) 301-70-90
МЕНЮ САЙТА
Каталог

Редуктор червячный NMRW 030

Редуктор червячный NMRW 030 ПромТеплоСтрой ✅ Червячный редуктор NMRW 030: применение, характеристики, эксплуатация. Все типоразмеры в наличии! Доставка по РФ! Червячный редуктор NMRW030, купить, цена Москва

Большинство моделей в НАЛИЧИИ!!! Отправим ТК в любой регион РФ и СНГ.

Червячный редуктор NMRW 030 это механическое устройство, предназначенное для преобразования крутящего момента и изменения скорости вращения, которое активно применяется в различных промышленных приводах. Благодаря своей конструкции, редуктор отличается компактностью, высокой эффективностью работы и низким уровнем шума.

В состав редуктора NMRW 030 входят такие основные элементы, как входной вал, червяк, червячное колесо, выходной вал, корпус и ряд вспомогательных деталей. Червяк выполнен в виде винта с трапецеидальной резьбой и находится в зацеплении с червячным колесом. Последнее оснащено зубчатым венцом, который обеспечивает надёжное взаимодействие с резьбой червяка, обеспечивая передачу движения и усилия.

Редуктор NMRW030 находят широкое применение в самых разных отраслях промышленности: пищевой, текстильной, целлюлозно-бумажной, пластмассовой и многих других. Их используют в приводах конвейеров, экструдеров, смесителей, подъёмников и прочих механизмов, где особенно важны высокая точность работы, минимальный уровень шума и компактные размеры.
Цена товара
от 2 843 руб.

В категории 57 товаров:



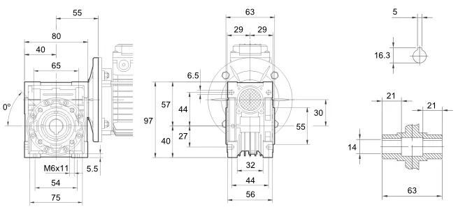
Червячный редуктор NMRW030 - Технические характеристики

Передаточное число (i) 5, 7.5, 10, 15, 20, 25, 30, 40, 50, 60, 80
Мощность электродвигателя, кВт 0.06, 0.09, 0.12, 0.18
Диаметр выходного вала, мм 14
Масса, кг 1.2
Редуктор NMRW 030 Редуктор NMRW 030

B5 56 63
Pm 120 140
Dm 9 11
bm 3 4
tm 10.4 12.8
B14 56 63
Pm 80 90
Dm 9 11
bm 3 4
tm 10.4 12.8

NMRW PAM B5 B14 5 7.5 10 15 20 25 30 40 50 60 80 100
N M P N M P D
30 56В5/ 56В14 80 100 120 50 65 80 9 9 9 9 9 9 9 9 9 9 9 -
63В5/ 63В14 95 115 140 60 75 90 11 11 11 11 11 11 11 11 11 - - -
Варианты исполнения NMRW
Условное обозначение редукторов

Основные преимущества устройства:

  • Высокий КПД — эффективность превышает 90%, что обеспечивает экономичную работу. 
  • Плавность хода и низкий уровень шума — идеально для пищевой и других отраслей, где важна тишина. 
  • Компактность и малый вес — позволяют экономить пространство и упрощают установку. 
  • Самоторможение — предотвращает самопроизвольное движение под нагрузкой, повышая безопасность. 
  • Широкий диапазон передаточных чисел — легко подобрать модель под любые технические задачи. 
  • Долговечность и надёжность — обеспечиваются использованием качественных материалов и современных технологий производства.
 

Редуктор NMRW-030 - как правильно выбрать и купить по нужной Вам цене ▾

бесплатные консультации заказчиков В рабочее время наши специалисты готовы оказать компетентную помощь в подборе интересующей вас продукции. Для этого вы можете позвонить по любому из указанных телефонов. Также вы можете написать на нашу электронную почту или воспользоваться формой обратной связи ниже по ссылке.


Капча

* ? обязательные поля
Продолжая, вы принимаете пользовательское соглашение и политику конфиденциальности.

x

Оформление запроса


Капча

* ? обязательные поля
Продолжая, вы принимаете пользовательское соглашение и политику конфиденциальности.

Благодарим за заказ

В ближайшее время с Вами свяжется наш специалист.

Закрыть