8 (800) 301-70-90
МЕНЮ САЙТА
Каталог

Редуктор червячный NMRW 130

Редуктор червячный NMRW 130 ПромТеплоСтрой ✅ Червячный редуктор NMRW 130: применение, характеристики, эксплуатация. Все типоразмеры в наличии! Доставка по РФ! Червячный редуктор NMRW130, купить, цена Москва

Большинство моделей в НАЛИЧИИ!!! Отправим ТК в любой регион РФ и СНГ.

Червячный редуктор NMRW 130 это механическое устройство, предназначенное для преобразования крутящего момента и изменения скорости вращения, которое активно применяется в различных промышленных приводах. Благодаря своей конструкции, редуктор отличается компактностью, высокой эффективностью работы и низким уровнем шума.

В состав редуктора NMRW 130 входят такие основные элементы, как входной вал, червяк, червячное колесо, выходной вал, корпус и ряд вспомогательных деталей. Червяк выполнен в виде винта с трапецеидальной резьбой и находится в зацеплении с червячным колесом. Последнее оснащено зубчатым венцом, который обеспечивает надёжное взаимодействие с резьбой червяка, обеспечивая передачу движения и усилия.

Редуктор NMRW130 находят широкое применение в самых разных отраслях промышленности: пищевой, текстильной, целлюлозно-бумажной, пластмассовой и многих других. Их используют в приводах конвейеров, экструдеров, смесителей, подъёмников и прочих механизмов, где особенно важны высокая точность работы, минимальный уровень шума и компактные размеры.
Цена товара
от 22 788 руб.

В категории 51 товар:



Червячный редуктор NMRW130 - Технические характеристики

Передаточное число (i) 7.5, 10, 15, 20, 25, 30, 40, 50, 60, 80, 100
Мощность электродвигателя, кВт 1.5, 2.2, 3, 4, 5.5, 7.5
Диаметр выходного вала, мм 45
Масса, кг 59
Редуктор NMRW 130 Редуктор NMRW 130

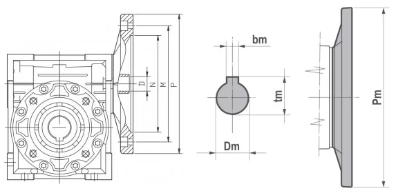
B5 90 100 132
112
Pm 200 250 300
Dm 24 28 38
bm 8 8 10
tm 27.3 31.3 41.3

NMRW PAM B5 B14 5 7.5 10 15 20 25 30 40 50 60 80 100
N M P N M P D
130 90В5 130 165 200 - - - - - - - - - - - - - 24 24
100В5 180 215 250 - - - - - - - - - - - 28 28 28 28 28
112В5 180 215 250 - - - 28 28 28 28 28 28 28 28 28 28 - -
132В5 230 265 300 - - - 38 38 38 38 38 38 38 - - - - -
Варианты исполнения NMRW
Условное обозначение редукторов

Основные преимущества устройства:

  • Высокий КПД — эффективность превышает 90%, что обеспечивает экономичную работу. 
  • Плавность хода и низкий уровень шума — идеально для пищевой и других отраслей, где важна тишина. 
  • Компактность и малый вес — позволяют экономить пространство и упрощают установку. 
  • Самоторможение — предотвращает самопроизвольное движение под нагрузкой, повышая безопасность. 
  • Широкий диапазон передаточных чисел — легко подобрать модель под любые технические задачи. 
  • Долговечность и надёжность — обеспечиваются использованием качественных материалов и современных технологий производства.
 

Редуктор NMRW-130 - как правильно выбрать и купить по нужной Вам цене ▾

бесплатные консультации заказчиков В рабочее время наши специалисты готовы оказать компетентную помощь в подборе интересующей вас продукции. Для этого вы можете позвонить по любому из указанных телефонов. Также вы можете написать на нашу электронную почту или воспользоваться формой обратной связи ниже по ссылке.


Капча

* ? обязательные поля
Продолжая, вы принимаете пользовательское соглашение и политику конфиденциальности.

x

Оформление запроса


Капча

* ? обязательные поля
Продолжая, вы принимаете пользовательское соглашение и политику конфиденциальности.

Благодарим за заказ

В ближайшее время с Вами свяжется наш специалист.

Закрыть